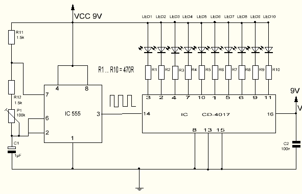
secuenciador de luces led

i c 555 y 4017 secuenciador

i c 555 y 4017 secuenciador

documents mx

documents mx

secuencial de luces leds para motos

secuencial de luces leds para motos

scribd

scribd

kit de secuenciador de luces traseras para mustang 96 04

kit de secuenciador de luces traseras para mustang 96 04

proyecto i blogger

proyecto i blogger

proyecto secuenciador de leds hazlo

proyecto secuenciador de leds hazlo

circuito para luces led

circuito para luces led

secuenciador de luces led en proteus

secuenciador de luces led en proteus

ing electronica blogger

ing electronica blogger

proyecto luces estroboscopicas con leds

proyecto luces estroboscopicas con leds

secuenciador de eventos con 555

secuenciador de eventos con 555

calameo guia secuenciador arduino

calameo guia secuenciador arduino

scribd

scribd

r luis

r luis

ppt secuenciador de luces powerpoint

ppt secuenciador de luces powerpoint

secuenciacion leds led etapa 2

secuenciacion leds led etapa 2

sch lab r 555 4017 blogger

sch lab r 555 4017 blogger

secuenciador de luces foros de

secuenciador de luces foros de

ne555 y cd4017 luz led chaser secuenciador seguidor desplazamiento modulo kit diy electronico

ne555 y cd4017 luz led chaser secuenciador seguidor desplazamiento modulo kit diy electronico

sono energie

sono energie

codigo electronica

codigo electronica

easyeda

easyeda

secuenciador de luces 8 canales 8

secuenciador de luces 8 canales 8

bazarweb

bazarweb

control secuenciador de luces navidenas

control secuenciador de luces navidenas

circuito con multiples leds tienda y

circuito con multiples leds tienda y

first vet subotica

first vet subotica

fdocuments es

fdocuments es

You May Like